产品中心

YEL系列高效率铝机壳三相异步电动机
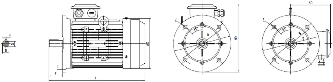
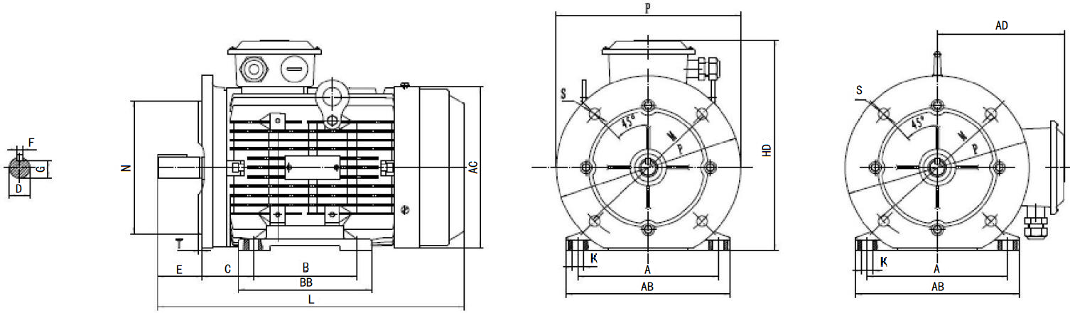
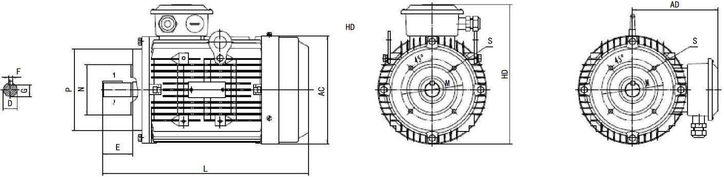
Product Description 产品概述
防护等级 IP55(IEC 60034-5);高度不超过海拔 1000 m(IEC 60034-1);允许的环境温度在 -20 ºC ~ 40 ºC(IEC 60034-1); 所允许的相对湿度:-20 ºC ≤ T ≤ 20 ºC:100 %;20 ºC < T ≤ 30 ºC:95 %;30 ºC < T ≤ 40 ºC:55 %